消防改造
消防維保
主機維修
聯系我們
- 聯系人:郭經理
- 傳真:010-69552656
- 電話:400-0346-119
- 電話:010-57113119
- 郵箱:506665119@qq.com
- 地址:北京通州區新華北路117號
環形總線火災報警控制系統與其他樹形總線形式火災報警控制系統的區別
來源:河北消防改造 時間:2019-07-04 10:01:36
目前火災報警控制系統已知的傳輸方式有兩種:無線、有線。其中以有線形式居多,而有線中又分為環形總線布線方式和樹形總線布線方式。
一、西安凡厄拉姆AHG火災報警控制系統環形總線布線方式
1、報警控制器與環形總線線路間有四根線連接,從A端供電并輸出信號,B端接收檢測,如中間出現短路或斷路故障時,系統可通過B端供電保證回路中其他現場單元正常工作,并迅速查找出故障點,即回路具有抗短路、斷路的自我保護能力。
2、環形總線線路中現場單元采用“一進一出”拓撲結構的方式連接,這種結構方式利于現場單元識別,確定了拓撲結構,現場單元的布線順序在報警控制器上面就可以清晰顯示出來。
3、火災報警控制器與現場單元采用的是廣播式通訊方式,即從A端發送一個數據包,同時詢問環路中的所有現場單元,B端接收。
如圖1所示,在整個環形回路任一點發生開路故障時,都可繼續通過A、B兩端進行通信,以免通信中斷,影響系統正常運行。
在環形回路任一點發生短路時,短路點兩端的總線短路隔離器動作,系統會隔離這一部分單元,保障其他線路現場單元正常工作,將系統受故障影響范圍降低到小;同時可以通過隔離器動作位置,迅速查找線路故障點。

4、西安凡厄拉姆公司火災報警控制系統的現場樹形布線,還可以做到環形+樹形布線。所謂環形+樹形布線就是指在現場環形布線的基礎上可以在任意點上出分支,并可以支上出支。(同類的德國安舍火災報警系統也可以環形上出分支,但限制較多,如不能根部出支、也不能支上出支等)
5、西安凡厄拉姆公司火災報警控制系統環形布線的優點:在后期系統運行中,系統能自動發現并找到故障處,并且除故障點之外其他單元仍能正常工作;工作人員可及時根據系統報出的故障點排除故障,從而保證整個系統的穩定、可靠運行。可以在環形上任意出分支,方便系統的日后擴容。
6、缺點:施工中,需要所有現場單元手拉手形成一個環,從而增加了線路的長度,布線比較復雜。
二、國內其他廠家火災報警控制系統的樹形總線布線方式
1、報警控制器與總線線路間有兩根線連接,從A端供電并輸出信號,如線路中出現短路或斷路故障時,故障點后所有現場單元將會失效。
2、樹形總線線路中現場單元采用“星形并行”的方式連接,這種方式利于現場施工安裝。
3、樹形布線方式采用的是輪詢式通訊方式,即發送一個數據只可以訪問一個現場單元,所有現場單元需要一個一個訪問,且只有單端尋址方式。
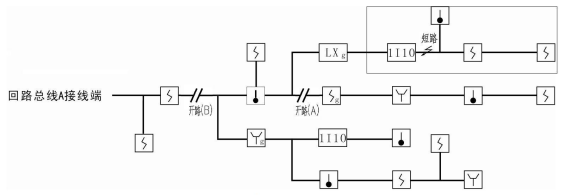
如圖2所示,在樹形回路分支上發生開路時,開路(A)后的部分設備將失去與火災報警控制器的通訊;當開路發生在樹形回路干線上時,開路(B)后的設備全部失去與火災報警控制器的通訊,影響范圍較大。
在樹形回路分支上發生短路時,該分支上的總線短路隔離器動作,系統隔離這一部分設備。但當樹形回路總線上發生短路時,則整個回路全部設備均無法正常工作,且無法定位故障點,總線短路隔離器的設置失去了作用。

樹形布線優點是接線簡單、方便,容易擴容。其不足之處則是:一旦總線回路中某個地址點的部件出現短路或斷路,則該地址點后面的線路全部受到影響。目前,新國標GB50116-2013中明確要求了回路中要設置短路隔離器,使得樹形總線的這一致命不足之處有了些改善,但在出現斷路時仍無法及時發現。
三、關于樹形環線,市面上還有一種做法,就是在樹形布線時在任意支點出線又接回起點,這種環法就是起點是終點、終點也是起點,即消防主機輸出端出兩總線到現場并上現場單元后再回到主機輸出端。這種環法雖然也是環,但環中任意位置發生斷路,主機不能判斷斷路位置,不能及時報出短路現象,只有斷路位置多了,才會報出大量現場單元確實或通訊故障。這種環法雖然能做到在個斷路點出現是能及時供電,但卻不能及時發現故障點,也就做不到及時排除故障,實際上是留下了隱患。
四、環形布線和樹形布線的市場應用
兩種接線方式各有優劣,但總的設計思路、設計理念環形布線形式遠遠優于樹形布線形式。
目前,歐洲、北美、南美、中東、東南亞、日韓等市場只接受環形總線的火災報警系統,所有工程招標文件中,都會明確提出火災報警控制器必須提供環形總線接口。EN的標準中還明確了控制器之間的聯網也必須采用環形總線。
國內廠家目前提供的多是樹形布線的產品,項目上也基本采用了樹形總線結構和產品。國內個別型重點項目在設計上要求環形總線的都是采用了進口產品。
隨著國內人們對消費報警系統可靠性的要求越來越高,我國的規范、標準也會越來重視消防總線的可靠性,向國際并軌。環形布線確實應該是國內未來發展的趨勢,更方便于后期的管理和維護,也更可靠。目前規范方面,目前公安部對250m以上超高層必須采用環形的要求也是這方面的考慮。

